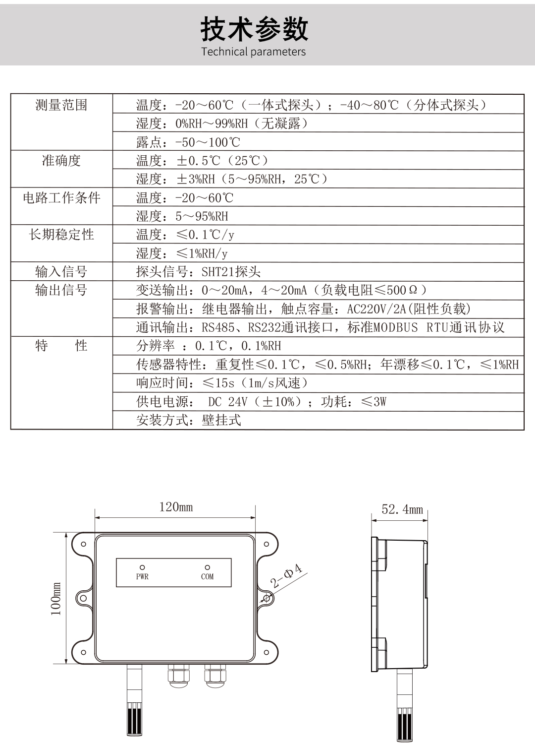
NHR-WS20系列一體化溫濕度變送器
虹潤公司是專業生產環境監測儀表的國家專精特新“小巨人”企業。生產的一體式溫濕度變送器,具有溫度、濕度、露點高精準的測量與變送,報警繼電器輸出,RS485/RS232通訊,IP65防護等級等特點。產品獲得一種手持式低功耗溫濕度檢測儀、大屏幕溫濕度記錄儀等2項國家發明專利,主持起草物聯網智能溫度儀表通用技術條件、冷鏈溫度記錄儀等2項國家標準,以及通信系統多通道數據采集控制終端規范軍用標準,以及現場設備集成等5項智能制造國家標準,參與國際5G標準制定,取得溫濕度儀表等3項相關軟件著作權。產品廣泛應用于工業現場、農業大棚、倉儲物流、地下管廊、養殖孵化、配電機房等諸多領域。









