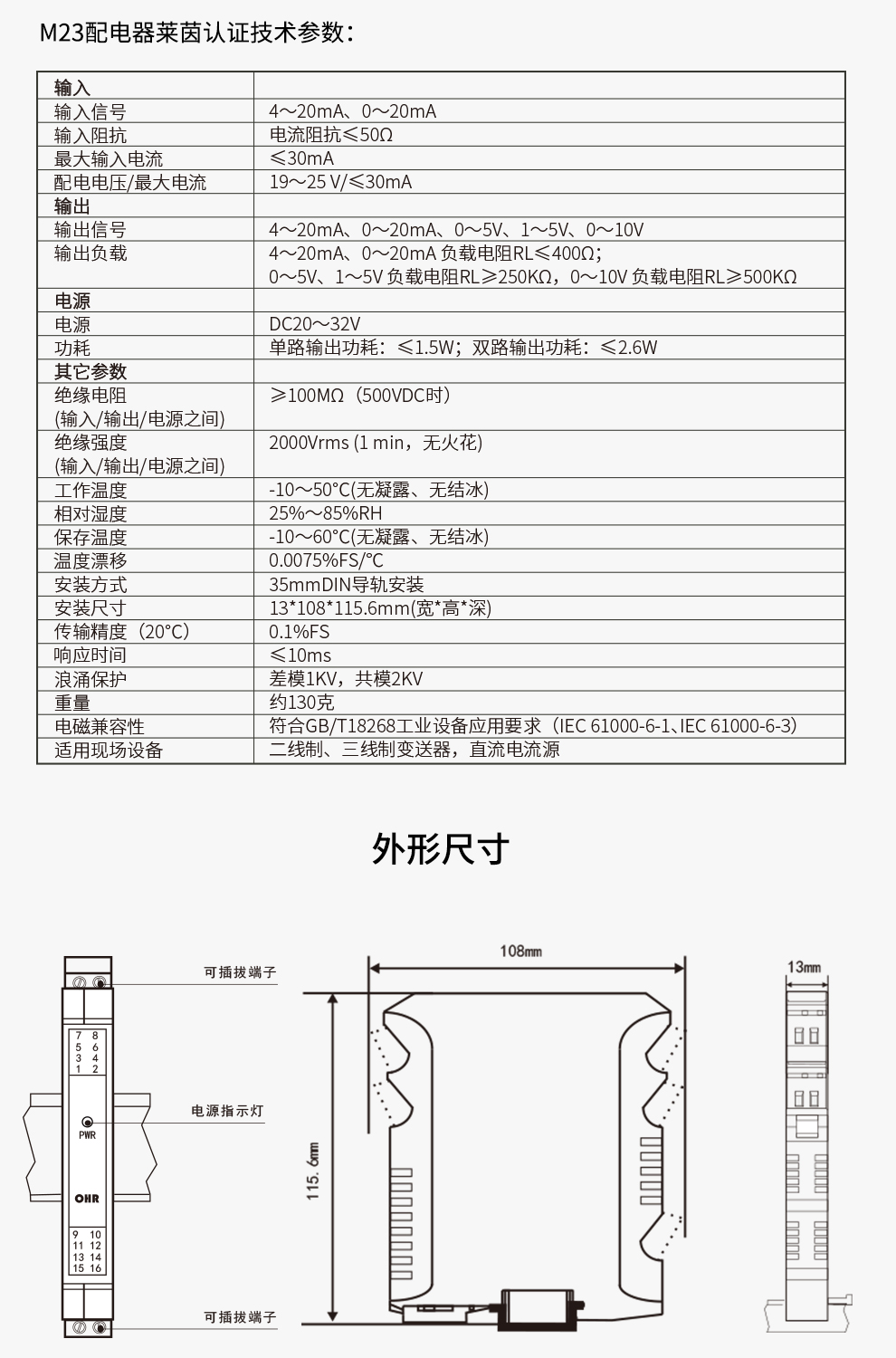
OHR-M23系列配電器
虹潤公司是專業生產隔離器的國家專精特新“小巨人”企業。生產的配電器,具有配接二三線制變送器,采用磁隔離技術,響應時間快,抗干擾能力強,24V配電輸出,性價比高等特點。該產品不僅通過德國萊茵 CE 認證與 SIL 功能安全認證,還獲得信號隔離器、二端子模塊、無源信號隔離器等3項國家發明專利,主持起草現場設備工具(FDT)接口規范、工業過程測量和控制系統用隔離式安全柵、工業過程測量和控制系統用配電器等3項國家標準,以及通信系統多通道數據采集控制終端規范軍用標準,參與國際5G標準制定。產品廣泛應用于石油、化工,冶金、電力、食品、光伏能源、污水處理等需要電隔離的工業自動化控制系統。











