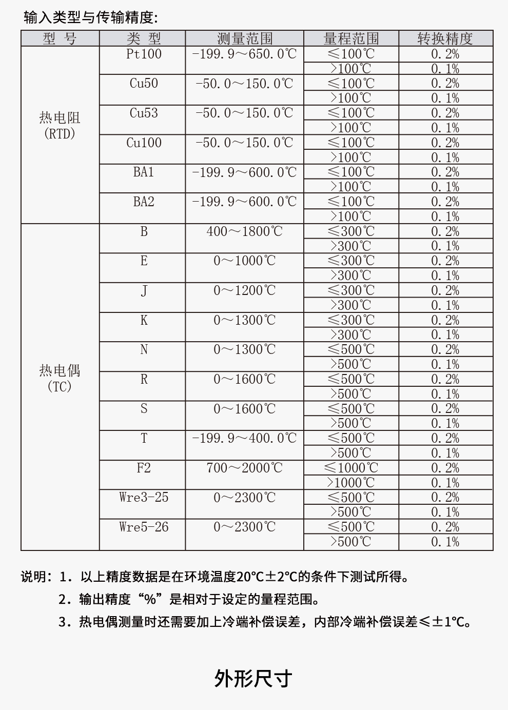
OHR-X32系列導軌式智能溫度變送器
虹潤公司是專業生產溫度變送器的國家專精特新“小巨人”企業。生產的導軌式智能溫度變送器,具有高清顯示單元,溫度傳感器類型及量程可設置,寬范圍電源供電,高抗干擾,帶RS485通訊等特點。產品獲得具備減震抗干擾能力的溫度變送器、信號隔離器、一種二端子模塊、無源信號隔離器等4項國家發明專利,主持起草物聯網智能溫度儀表、現場設備工具(FDT)接口規范、工業過程測量和控制系統用溫度變送器等3項國家標準,以及通信系統多通道數據采集控制終端規范軍用標準,參與國際5G標準制定,取得智能數顯溫度變送器等2項相關軟件著作權。產品廣泛應用于電力、化工,冶金、制藥、機械制造、樓宇自控等工業領域現場自動化測溫過程。












