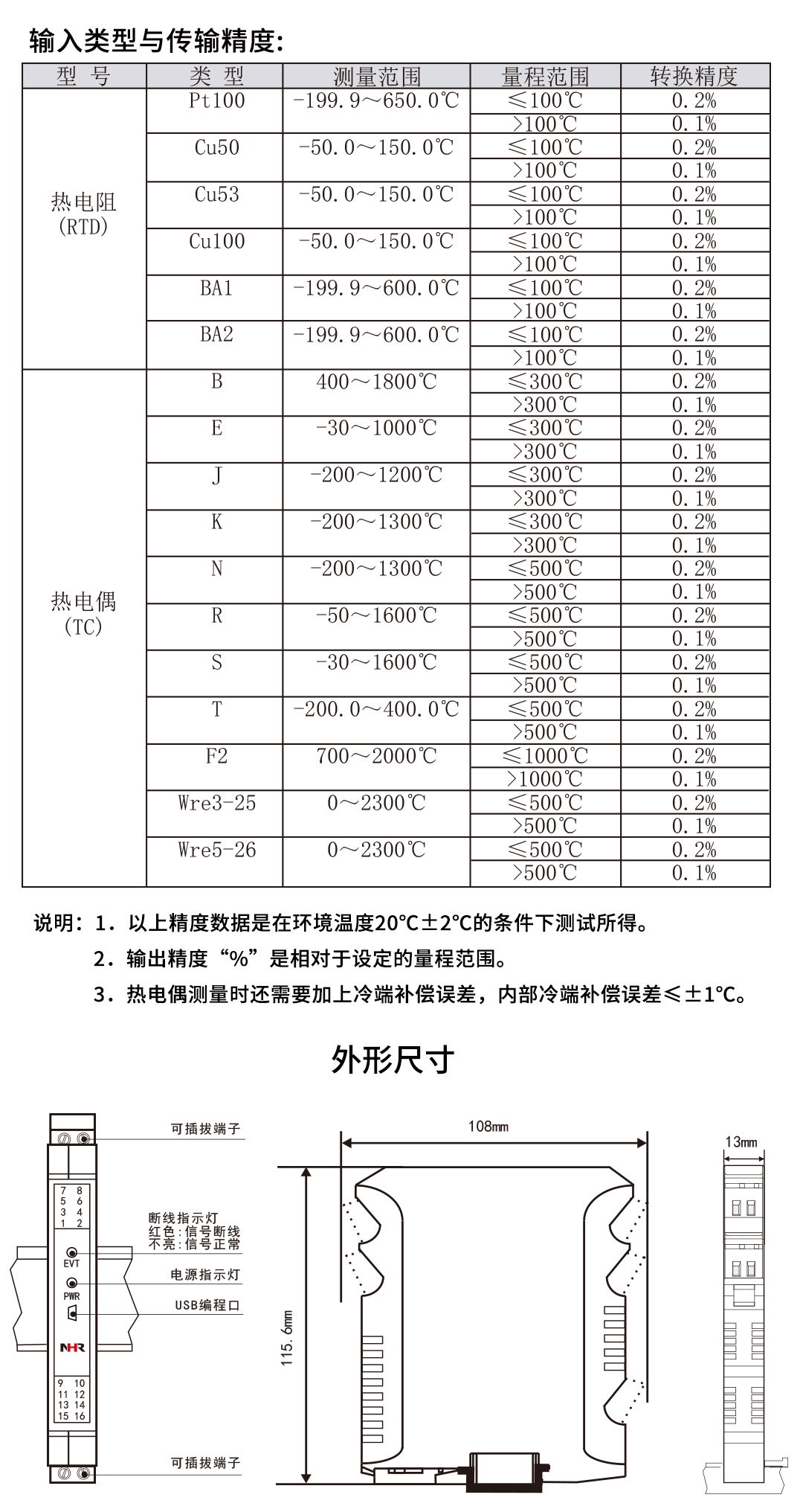
NHR-M22系列智能溫度變送器
虹潤公司是專業生產溫度變送器的國家專精特新“小巨人”企業。生產的溫度變送器,具有采用磁隔離技術,配套編程器可修改參數,抗干擾能力強,穩定性好,帶RS485或HART通訊等特點。該產品不僅通過HART基金會認證、德國萊茵 CE 認證與 SIL 功能安全認證,還獲得具備減震抗干擾能力的溫度變送器、信號隔離器、一種二端子模塊、無源信號隔離器等4項國家發明專利,主持起草物聯網智能溫度儀表、現場設備工具(FDT)接口規范、工業過程測量和控制系統用溫度變送器等3項國家標準,以及通信系統多通道數據采集控制終端規范軍用標準,參與國際5G標準制定,取得溫度變送器等5項相關軟件著作權。產品廣泛應用于石油、電力、化工,冶金、制藥、紡織、橡膠制造等工業領域現場自動化測溫過程。













